PRODUCTS

Diaphragm Valves
» Aseptic Diaphragm Valves
 » 2/2 way DV
 » SL-SA
 » Multi-way Valves
 » Tank Valves
 » Technical Basics
» Metal Diaphragm Valves
» Plastic Diaphragm Valves

Seat Valves
» 2/2 Angle Seat Valves
» 3/2 Globe Valves

Solenoid Valves
» Pilot Valves
» Valve Islands

Positioners
» Voltage 24V
» Two Wire System

Flowmeters
» Variable Area Principle
» Guided Float

Accessories
» for Valves
» for Flowmeters

Solenoid Valve Type 614
 

SED Flow Control Valves

3/2 Directional control valves
actuation: electromagnetic
direct solenoid operated poppet valves

Working from 0 bar up
Short switching times
Suited for fine vacuum down 1,33*10-3 mbar l/s
For AC solenoid systems with integrated rectifier (40 to 60 HZ)

Technical Data

 

Medium:

 For neutral gaseous and liquid fluids

Operation:

 Solenoid direct operated poppet valves

Mounting position:

 Optional, preferably with solenoid on top

Nominal size:

 2 to 5

Connection:

 Internal thread G 1/4

Operating perssure:

 0 to 18 bar

Operating temperature:

 -25* to +60°C (please consult our technical service
 for use below +2 °C 

Solenoid:

 See solenoid table

Materials:

 Housing: Brass
 Seat seals: NBR (Perbunan)
 Inner parts: Seehl 1.4104, brass

  

Symbol:

SED Flow Control Valves

Circuit diagramms:

SED Flow Control Valves

 

 

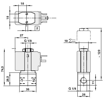
Dimensional drawins for solenoid operators:

SED Flow Control Valves

Dimensional drawings for valves:

SED Flow Control Valves


Copyright © 2016 SED Flow Control GmbH | Sitemap