PRODUCTS

Diaphragm Valves
» Aseptic Diaphragm Valves
 » 2/2 way DV
 » SL-SA
 » Multi-way Valves
 » Tank Valves
 » Technical Basics
» Metal Diaphragm Valves
» Plastic Diaphragm Valves

Seat Valves
» 2/2 Angle Seat Valves
» 3/2 Globe Valves

Solenoid Valves
» Pilot Valves
» Valve Islands

Positioners
» Voltage 24V
» Two Wire System

Flowmeters
» Variable Area Principle
» Guided Float

Accessories
» for Valves
» for Flowmeters

Solenoid Valve Type 610
 

SED Flow Control Valves

4/2 directional control valves
Solenoid operated
indirectly actuated seat valves

LABS-free
 Standard manual override with detend
 Compact design
 High flow rate
 Maintenance-free
 Easily mounting: as single unit or manifold system
 Common exhaust line
 Low power consumption ≤ 2W and 5W
 The Valves and Solenoids are ATEX approved (see solenoid table)

Technical Data

 

Operating medium: 
 

 Solenoid valve for filtered, lubricated or non-lubricated air

Actuation:

 Solenoid operated

Flow direction:

 Fixed

Mounting position:

 Optional

Nominal size:

 4 and 7 mm

Port size:

 G 1/8, g 1/4

Electrical connection:

 Connector interface to DIN EN 175301-803 form A and B

Operating pressure:

 Max. 6 bar

Temperature range:  

 -10* to +50 °C
*With minus temperatures, use conditioned dry air. If installed in the open protect all connections against the penetration of moisture!

Material:

 Housing: Aluminium
 Pilot flange: plastic (PBT)
 Seals: NBR (Perbunan)

  

Symbol:

 SED Flow Control Valves

Circuit diagram:

 SED Flow Control Valves

 

 

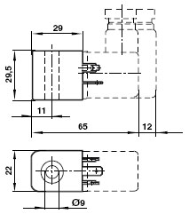
Dimensional drawings solenoid:

 SED Flow Control Valves

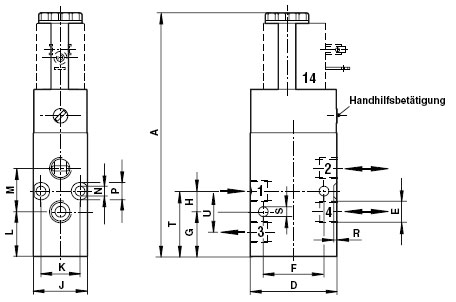
Dimensional drawings valve:
 SED Flow Control Valves

A

 D

 E

F

J

 M

 N

T

U

 127,5

 55

G 1/4

32 

28,5 

12

30 

23

28,5

 24

 4,5

 5,5

40,5

29 


Copyright © 2016 SED Flow Control GmbH | Sitemap