PRODUCTS
Diaphragm Valves » Aseptic Diaphragm Valves
» 2/2 way DV
» SL-SA
» Multi-way Valves
» Tank Valves
» Technical Basics
» Metal Diaphragm Valves
» Plastic Diaphragm Valves
Seat Valves » 2/2 Angle Seat Valves
» 3/2 Globe Valves
Solenoid Valves
» Pilot Valves
» Valve Islands
Positioners » Voltage 24V
» Two Wire System
Flowmeters » Variable Area Principle
» Guided Float
Accessories » for Valves
» for Flowmeters
|
Solenoid
Valve Type 607
|
| 5/2 directional control valve actuation: electromagnetic indirectly controlled soft seal spool valves |
-
Straight-through flow, high Cv-factor -
Compact design -
Maintenance-free -
Easy to service -
Easily interchangeable solenoid system -
Standard manual override -
The valves and solenoids are ATEX approved
Technical Data
| | Operating medium: | Solenoid valve for filtered, lubricated or non-lubricated air | Operation: | Solenoid, indirectly controlled | Flow direction: | Fixed | Mounting position: | Optional | Nominal size: | 6 and 12 mm | Port size: | G 1/4, G 1/2 | Electrical connection: | Connector interface to DIN EN 175301-803 form A and B | Operating pressure: | 1 to 10 bar | Temperature: | -10 ... +50°C | Material: | Housing: Aluminium Pilot flange: Plastic Seat seal: NBR (Perbunan) | Symbol: | 
| Circuit diagram: | 
| Basic dimensions for solenoid operators: | 
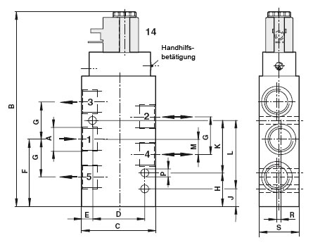
| Basic dimensions for valves:
|
A | B | C | D | E | F | G | H | J | K | L | M | P | R | S | G 1/4 | 139,5 | 55 | 40 | 7,5 | 35 | 24 | | 5 | | 67 | 12 | 5,5 | 5 | 30 |
|